Design and delivery of large-scale CO2 storage tanks, transport pipelines, and marine jetty terminals for onshore and offshore CCS projects. Our infrastructure solutions enable permanent sequestration, cross-border CO2 transport, and hub-based CCS development.
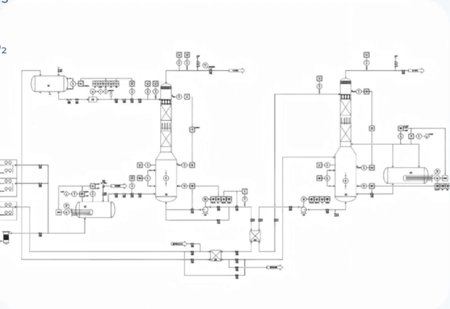
Deployment of membrane-based CO2 capture systems for offshore and onshore operations. Our technologies support CO2 separation, reuse, sequestration, and storage simplifying post treatment; low energy consumption in which captured CO2 can be stored/transported at ambient conditions ; storage ratio up to 1:60 ( vs 1:600 for liquefaction); low upfront CAPEX.
Integrated solutions supporting emission-intensity reduction, carbon credit frameworks, and regulatory compliance for energy and industrial operators.
Complex feed gas with large swings in CO2, temperature, and pressure
High energy consumption and elevated operating costs
Tightening environmental requirements, emissions not meeting standards
Difficulty selecting the process, suboptimal technology matching
Long delivery cycles and insufficient equipment stability

Tailored decarbonization solutions that are the most economical and efficient for your needs.

Advanced processes that significantly reduce operating energy consumption

From technology licensing and engineering design to core equipment design to core equipment manufacturing, we take full responsibility end to end.

High-quality equipment and intelligent control to ensure long-term stable operation.
| Process Route | Technical Principle | Core Advantages | Key Limitations | Environmental Performance |
|---|---|---|---|---|
| Amine-Based Decarbonization | Chemical absorption & regeneration | High purity, mature technology, wide applicability, relatively high investment | High energy consumption | Amine wastewater and off-gas emissions |
| Membrane Separation Decarbonization | Physical sieving & solution-diffusion | Low energy use, modular, small footprint, no chemicals, high upfront CAPEX* | chemicals, high upfront CAPEX* High pretreatment requirements; higher CH4 loss rate |
No “three wastes” discharge |
| Composite Guanidine Sulfate Solution Decarbonization | Physicochemical absorption | Shared unit for CO2 capture & storage simplifying post-treatment; low energy consumption; captured CO2 can be stored/transported at ambient conditions; storage ratio up to 1:60 (vs. 1:600 for liquefaction); low upfront CAPEX | None | No “three wastes” discharge |
During absorption, guanidine sulfate solution both physically dissolves large amounts of CO2@Gua2SO4. During regeneration, heating releases CO2 from the inclusion compound and restores the lean solvent.
